Як працює мікросхема постійного струму DCDC у високоточному регулюванні потужності?


Анотація статті

A Чіп постійного струму DCDCє основним компонентом у сучасних системах керування живленням, призначеним для забезпечення стабільного та контрольованого вихідного струму незалежно від навантаження чи коливань вхідної напруги. Ця стаття містить вичерпний технічний огляд того, як функціонують мікросхеми постійного струму DCDC, досліджує ключові електричні параметри, досліджує сценарії застосування в реальному світі та відповідає на поширені технічні запитання. Контент структурований таким чином, щоб підтримувати прийняття інженерних рішень, вибір компонентів і довгострокову оптимізацію системи, узгоджуючи його з поточною пошуковою поведінкою та професійними звичками читання.

AS6911SGA


Зміст


Конспект змісту

  • Основні принципи роботи та внутрішня архітектура
  • Детальне пояснення електричних і теплових параметрів
  • Застосування промислової, автомобільної та побутової електроніки
  • Поширені технічні запитання, що стосуються поширених інженерних проблем
  • Майбутні тенденції розвитку та інтеграція на системному рівні

1. Як мікросхема постійного струму DCDC розроблена для регулювання струму?

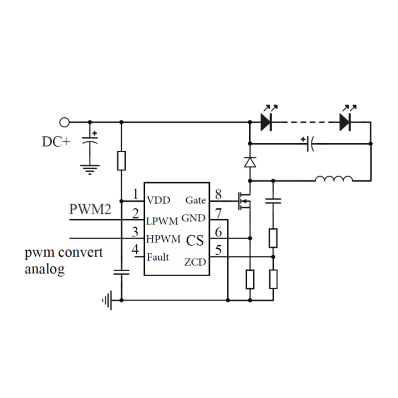
Мікросхема постійного струму DCDC — це інтегральна схема керування живленням з комутаційним режимом, яка підтримує фіксований вихідний струм шляхом динамічного регулювання робочого циклу, частоти перемикання та контурів керування зворотним зв’язком. На відміну від регуляторів постійної напруги, основною керуючою змінною є струм, а не напруга, що робить цей тип мікросхем необхідним для таких навантажень, як світлодіоди, лазерні діоди, схеми зарядки акумулятора та прецизійні датчики.

Внутрішня мікросхема інтегрує високошвидкісний підсилювач помилок, компаратор визначення струму, джерело еталонної напруги та силовий драйвер MOSFET. Струм, що протікає через навантаження, вимірюється через внутрішній або зовнішній сенсорний резистор. Цей отриманий сигнал порівнюється з еталонним порогом, і логіка керування регулює поведінку перемикання, щоб компенсувати зміни лінії або навантаження.

Головною метою проектування є стабільність струму за змінних умов входу. Завдяки роботі в топологіях підвищення, підсилення чи підсилення, мікросхема постійного струму DCDC може підтримувати широкий діапазон вхідної напруги, зберігаючи ефективність і термічну безпеку.


2. Як основні параметри визначають продуктивність мікросхеми постійного струму DCDC?

Вибір відповідної мікросхеми постійного струму DCDC вимагає ретельної оцінки її електричних, теплових і контрольних характеристик. Ці параметри безпосередньо впливають на надійність системи, ефективність і відповідність нормативним стандартам.

Параметр Типовий діапазон Технічне значення
Діапазон вхідної напруги 3В – 60В Визначає сумісність з акумуляторними блоками, адаптерами або промисловими шинами
Точність вихідного струму ±1% до ±5% Визначає точність регулювання струму при динамічних навантаженнях
Частота перемикання 100 кГц – 2 МГц Впливає на ефективність, ефективність EMI та розмір пасивного компонента
Ефективність 85% - 98% Безпосередньо впливає на розсіювання тепла та втрату потужності
Тепловий захист 150°C – 170°C Вимкнення Запобігає виходу пристрою з ладу при перевантаженні або недостатньому охолодженні

Просунуті пристрої також інтегрують такі функції, як керування плавним пуском, інтерфейси затемнення ШІМ, аналогове регулювання струму та діагностику несправностей. Ці можливості спрощують проектування системного рівня та зменшують потребу у зовнішніх схемах.


Мікросхема постійного струму DCDC – типові запитання та відповіді

Q: Як мікросхема постійного струму DCDC підтримує стабільний вихід, коли вхідна напруга коливається?

Відповідь: Мікросхема постійно відстежує струм навантаження через контур зворотного зв’язку та регулює робочий цикл перемикання в режимі реального часу, компенсуючи будь-які зміни вхідної напруги без зміни регульованого рівня струму.

Питання: Як керується нагріванням у додатках DCDC Constant Current Chip із сильним струмом?

A: Тепло управляється за допомогою високоефективної комутаційної топології з низьким RDS(увімкнено)МОП-транзистори, схеми теплового відключення та оптимізоване розташування друкованих плат, які покращують розсіювання тепла.

Питання: Чим мікросхема постійного струму відрізняється від стабілізатора постійної напруги в конструкції системи?

A: Мікросхема постійного струму надає перевагу точності струму, а не стабільності напруги, що робить її придатною для чутливих до струму навантажень, де напруга може змінюватися залежно від умов експлуатації.


3. Як мікросхема постійного струму DCDC використовується в різних галузях?

Мікросхеми постійного струму DCDC широко використовуються в багатьох галузях завдяки своїй гнучкості та ефективності. У системах твердотільного освітлення вони забезпечують рівномірну яскравість і подовжують термін служби світлодіодів. В автомобільній електроніці вони підтримують адаптивне освітлення, панелі приладів і підсистеми керування акумулятором.

Системи промислової автоматизації використовують ці мікросхеми для управління датчиками, приводами та оптичними компонентами, які вимагають передбачуваної поточної поведінки. Медичні пристрої покладаються на постійне регулювання струму, щоб гарантувати точність сигналу та безпеку пацієнтів. Побутова електроніка виграє від компактної інтеграції та низького енергоспоживання, особливо в портативних пристроях.

Кожен сценарій застосування накладає унікальні електричні та екологічні вимоги, що підсилює важливість вибору мікросхеми з відповідними функціями захисту та інтерфейсами керування.


4. Як розвиватиметься технологія мікросхем постійного струму DCDC?

Еволюція технології DCDC Constant Current Chip зумовлена ​​зростаючим попитом на більш високу ефективність, ширшу толерантність вхідної напруги та інтелектуальне керування. Майбутні проекти підкреслюють цифрові контури керування, адаптивне масштабування струму та більш тісну інтеграцію з мікроконтролерами та комунікаційними інтерфейсами.

Широкозонні напівпровідникові матеріали, такі як GaN і SiC, впливають на архітектури наступного покоління, забезпечуючи вищі частоти перемикання та зменшуючи втрати на провідність. Крім того, інтеграція системи на чіпі зменшує площу, підвищуючи надійність.

Оскільки системи живлення стають більш розподіленими та інтелектуальними, регулювання постійного струму залишатиметься основоположною можливістю підтримки енергоефективності та оптимізації продуктивності.


Shenzhen Cokintech Co., Ltd.зосереджується на розробці та постачанні високопродуктивних рішень DCDC Constant Current Chip, призначених для промислових, автомобільних і передових електронік. Завдяки постійному технічному вдосконаленню та високоякісному виробництву компанія підтримує стабільні та масштабовані проекти керування живленням.

Для технічних консультацій, налаштування параметрів або рекомендацій щодо конкретного застосування, будь ласказв'яжіться з намиобговорити вимоги до проекту та можливості довгострокової співпраці.

Надіслати запит

X
Ми використовуємо файли cookie, щоб запропонувати вам кращий досвід перегляду, аналізувати трафік сайту та персоналізувати вміст. Використовуючи цей сайт, ви погоджуєтеся на використання файлів cookie. Політика конфіденційності