KP1313SPA
  • KP1313SPAKP1313SPA

KP1313SPA

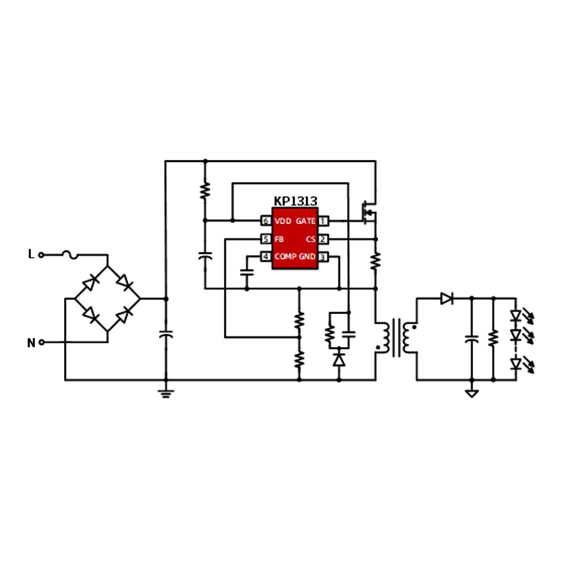
KP1313SPA — це високоефективний квазірезонансний світлодіодний контролер основного керування, який забезпечує високу точність постійного вихідного струму, особливо підходить для ізольованого джерела живлення освітлення середньої та високої потужності.

Надіслати запит

Опис продукту

Високоефективний квазірезонансний світлодіодний контролер первинного постійного струму


KP1313SPA — це високоефективний квазірезонансний світлодіодний контролер основного керування, який забезпечує високу точність постійного вихідного струму, особливо підходить для ізольованого джерела живлення освітлення середньої та високої потужності.


KP1313SPA використовує петлю постійного струму для досягнення квазірезонансного керування, а робочий механізм нижнього вмикання може значно зменшити втрати при перемиканні та підвищити ефективність, покращуючи ЕМС. Мікросхема інтегрує компенсацію постійного струму напруги мережі та напруги навантаження, що дозволяє отримати чудову швидкість регулювання напруги мережі та навантаження.


KP1313SPA об’єднує різноманітні функції захисту: захист від зниженої напруги VDD (UVLO), захист від перенапруги VDD (OVP), захист від перегріву (OTP), захист від циклічного струму (OCP), захист світлодіодів від обриву та короткого замикання тощо.


Основна особливість

• Високоефективний квазірезонансний режим роботи

• Підтримка конструкції первинного зворотного зв'язку з подвійною обмоткою, спрощення периферії

• ±3% висока точність постійного струму

• Наднизький робочий струм

• Вбудована компенсація постійного струму для мережевої напруги та напруги навантаження

• Форма упаковки СОТ23-6Л


• Інтегровані функції захисту:

• Захист від перенапруги на виході (OVP)

• VDD захист від зниженої напруги (UVLO)

• Щотижневий термін струмового захисту (OCP)

• Світлодіодний захист від обриву та короткого замикання

• Захист від перегріву (OTP)

• Переднє заглушення (LEB)


Типове застосування

• Світлодіодне освітлення високої потужності



Зв'яжіться з нами

Штаб-квартира Шеньчжень: 10-й поверх, будівля Центру досліджень і розробок, Індустріальний парк EVOC, 

Gвулиця uangming, Guangming Район, місто Шеньчжень, провінція Гуандун, Китай

Офіційний сайт компанії: www.cokinsemi.com

 

Електронна пошта: wyq@cokinic.com

Телефон:+86-18681585060

 




Гарячі теги: KP1313SPA, Китай, Виробник, Постачальник, Фабрика, Індивідуальний, Низька ціна, Якісний, Просунутий, Довговічний, Останні продажі, На складі
Пов'язана категорія
Надіслати запит
Будь ласка, надішліть свій запит у формі нижче. Ми відповімо вам протягом 24 годин.
X
Ми використовуємо файли cookie, щоб запропонувати вам кращий досвід перегляду, аналізувати трафік сайту та персоналізувати вміст. Використовуючи цей сайт, ви погоджуєтеся на використання файлів cookie. Політика конфіденційності
Відхиляти прийняти